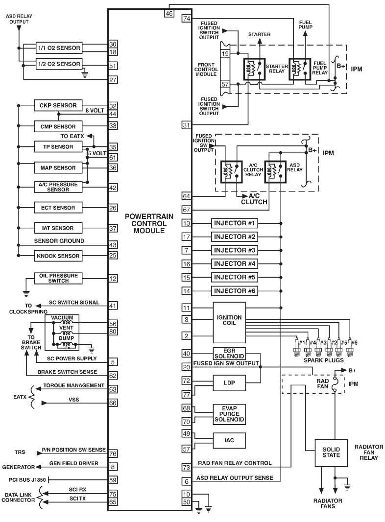
PCM
4477 views

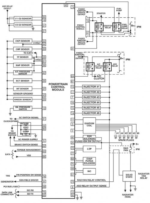
PCM

Uploaded 8 years ago